EN
partnerteknik@partnerteknik.com
+90 216 361 42 05 (Pbx)
Yenişehir Mah. Özgür Sok. No:17 Partner Plaza 34779 Ataşehir / İstanbul
LOGIN


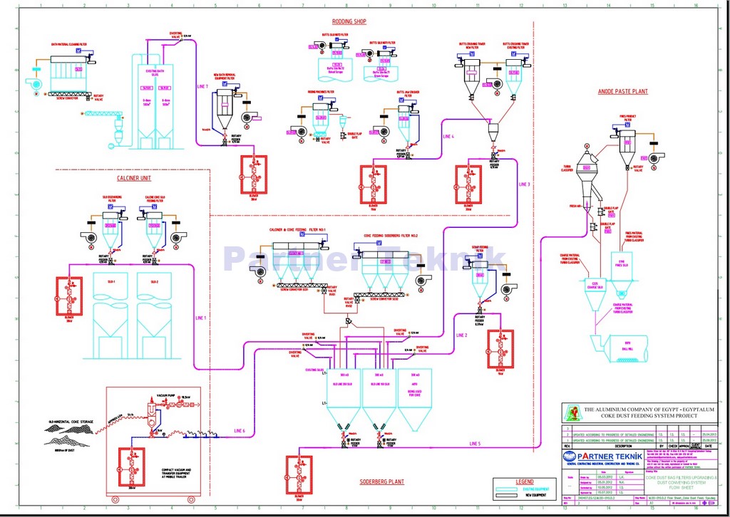
Egyptalum, Coke Dust bag filter upgrading & Dust conveying system
Proje Yılı
2013
Proje Yeri
Nag Hammady
Proje Kapsamı
Toz toplama sistemlerinin ve toz pnömatik taşıma sistemlerinin mühendisliği, temel ve detay mühendislik, ekipman seçimi, ekipman ve malzeme temini, imalat. Yerel imalatların denetimi. İnşaat işleri, mekanik ve elektrik montaj işlerinin denetimi. Montaj süpervizörlüğü, devreye alma ve çalıştırma.

Proje Resimleri

Egyptalum-Coke-Dust-bag-filter-upgrading--Dust-conveying-system                                                                                       Egyptalum-Coke-Dust-bag-filter-upgrading--Dust-conveying-system                                                                                       Egyptalum-Coke-Dust-bag-filter-upgrading--Dust-conveying-system                                                                                       Egyptalum-Coke-Dust-bag-filter-upgrading--Dust-conveying-system                                                                                       Egyptalum-Coke-Dust-bag-filter-upgrading--Dust-conveying-system                                                                                       Egyptalum-Coke-Dust-bag-filter-upgrading--Dust-conveying-system                                                                                       Egyptalum-Coke-Dust-bag-filter-upgrading--Dust-conveying-system                                                                                       Egyptalum-Coke-Dust-bag-filter-upgrading--Dust-conveying-system                                                                                       Egyptalum-Coke-Dust-bag-filter-upgrading--Dust-conveying-system                                                                                       Egyptalum-Coke-Dust-bag-filter-upgrading--Dust-conveying-system
MERKEZ OFİS

Yenişehir Mah. Özgür Sok. No:17 Partner Plaza 34779 Ataşehir / İstanbul



partnerteknik@partnerteknik.com


T : +90 216 361 42 05 (Pbx)
F : +90 216 372 64 87
BİZİ TAKİP EDİN

Bizimle ilgili en güncel gelişmelerden haberdar olmak için Sosyal Medya da bizi takip etmeyi unutmayın.


HIZLI MENÜ



Tüm Hakları Partner Teknik Tarafından Saklıdır. © 2020
EN
Egyptalum, Coke Dust bag filter upgrading & Dust conveying system

Proje Yılı
2013
Proje Yeri
Nag Hammady
Proje Kapsamı
Toz toplama sistemlerinin ve toz pnömatik taşıma sistemlerinin mühendisliği, temel ve detay mühendislik, ekipman seçimi, ekipman ve malzeme temini, imalat. Yerel imalatların denetimi. İnşaat işleri, mekanik ve elektrik montaj işlerinin denetimi. Montaj süpervizörlüğü, devreye alma ve çalıştırma.

Proje Resimleri

Egyptalum-Coke-Dust-bag-filter-upgrading--Dust-conveying-system                                                                                       Egyptalum-Coke-Dust-bag-filter-upgrading--Dust-conveying-system                                                                                       Egyptalum-Coke-Dust-bag-filter-upgrading--Dust-conveying-system                                                                                       Egyptalum-Coke-Dust-bag-filter-upgrading--Dust-conveying-system                                                                                       Egyptalum-Coke-Dust-bag-filter-upgrading--Dust-conveying-system                                                                                       Egyptalum-Coke-Dust-bag-filter-upgrading--Dust-conveying-system                                                                                       Egyptalum-Coke-Dust-bag-filter-upgrading--Dust-conveying-system                                                                                       Egyptalum-Coke-Dust-bag-filter-upgrading--Dust-conveying-system                                                                                       Egyptalum-Coke-Dust-bag-filter-upgrading--Dust-conveying-system                                                                                       Egyptalum-Coke-Dust-bag-filter-upgrading--Dust-conveying-system
MERKEZ OFİS
Yenişehir Mah. Özgür Sok. No:17 Partner Plaza 34779 Ataşehir / İstanbul
partnerteknik@partnerteknik.com
T : +90 216 361 42 05 (Pbx)
F : +90 216 372 64 87
BİZİ TAKİP EDİN
Bizimle ilgili en güncel gelişmelerden haberdar olmak için Sosyal Medya da bizi takip etmeyi unutmayın.




HIZLI MENÜ




Tüm Hakları Partner Teknik Tarafından Saklıdır. © 2020